找回密码
 立即注册

QQ登录

只需一步,快速开始

查看: 74328|回复: 16

MWC飞控板原理图及新手使用教程,基于Arduino采用MS5611高精度气压计

  [复制链接]

签到天数: 7 天

[LV.3]偶尔看看II

发表于 2014-1-16 20:55:24 | 显示全部楼层 |阅读模式
本帖最后由 YFRobot 于 2014-3-1 14:43 编辑

  MWC是MultiWii Copter的缩写,它并不是指硬件产品,而是开源固件。此固件的原创作者是来自法国的Alex,他为了打造自己的Y3飞行器而开发了最初的MWC固件(原创交流帖与官网的链接在最下方)。几年来经过许多高手的参与及共同努力,开发进度越来越快。现在MWC已经基本成熟,可以支持更广泛的硬件平台、外围设备及更多飞行模式,让运行MWC的飞控硬件成为国外开源飞控市场上占有率最高之一的产品。

    如果你喜欢折腾,动手能力较强,那么选择MWC飞控将非常合适;相反,如果你想到手即用,偏向于拿来主义,可以很肯定说是没有这样的产品的,即使是商业控,也需要根据实际情况进行参数调节,难度可能还会更大。不如直接多花些钱买成品,但那样可能也没什么乐趣了,你若不肯花时间去研究,那么用哪一款控都未必能够做出令你满意的飞行。

MWC飞控通常有两种版本:
    ● Atmega328P 版本
    ● Atmega2560 版本
都是基于开源的Arduino平台,所以MWC也是开源项目,你可以在网上下载其源码进行研究学习,如果你愿意。

MWC官方的网址:
    Multiwii Home Page: http://www.multiwii.com/
    Multiwii Wiki Page:http://www.multiwii.com/wiki/index.php?title=Main_Page
    Multiwii Open Source Page:https://code.google.com/p/multiwii/downloads/list  (2014年最新版的已经有了DEMO版)
硬件篇
----------------------------------------------------------------------------------------------------------------------------------------------------------------------
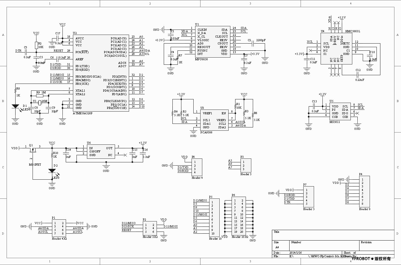
    这里以MEGA328P版本为主介绍,因为基于Arduino平台,实际上就是一块Arduino ProMini版本+一块GY86传感器(包含MPU6050、HMC5883L、MS5611),所以原理图比较简单,下面是飞控板原理图,如果你不是特别明白,可以下载下来看看。
MWC飞控原理图.jpg
MWC飞控原理图PDF格式下载: MWC_FlyControl_Sch.pdf (372.1 KB, 下载次数: 2775)

对于Arduino平台而言,新加入部分如下:
    ●电源部分加入了防反接保护,通过原理图的Q1场效应管来完成
    ●采用了专用芯片PCA9306实现电平转换,将传感器的输出3.3V信号转换为5V。如果是自己DIY,不使用GPS功能的话,那么这个电路可以去掉也可以正常工作。
    ●气压计采用了24位AD分辨率的MS5611取代了传统的BMP085.
    ●预留A3\A6\A7引脚,方便未来扩展。
在"MultiWii-Config.h"配置里需要将" boards and sensor definitions "设置成GY-86,即可正常使用。如下所示:
板类型.jpg

模块整体布局如下所示:
端口说明.jpg

主要分为以下5个部分:
1、接收机接收部分
2、电调、电机控制部分
3、通信接口(用来烧录程序以及修改参数)
4、蓝牙接口(后期调试非常有用,可以利用手机进行调试)
5、I2C接口(扩展GPS模块)

1、接收机接收部分:
引脚对应关系如下,(这里以国产天七遥控做说明,其他控请参考遥控器手册)
-----------------------------------
MWC Pin:                       接收机 Pin:                         功能:
   G                                  -                                   地,负极
   V                                   +                                   电源,正极
   D2                                 3                                    THRO,油门
   D4                                 1                                    ROLL,副翼
   D5                                 2                                    PIT,升降
   D6                                 4                                    YAW,方向
   D7                                 5                                    MODEL,模式位  
-----------------------------------
注:这里只只有D2是通过GVS的3P线连接到飞控板的,其他通过单P线连接即可。因为遥控的所有接收端 GND和VCC是相通的。
实物接线如下:
接收部分实物接线.jpg


2、电调、电机控制部分:
    如果做多轴飞行器,这一部分用来控制电调,如果做固定翼,则用来接舵机,具体的可以参考下面的接线示意图。
电机电调接口.jpg


不同的模式接线不同,大家可以参考官方给出的接线图,如下所示:(这里只列出了328P版本的接线)
MWC多模式参考接图.jpg
数字与飞控板舵机控制部分数字标号一一对应,数字周围的箭头,表示这个位置的电机旋转方向,请与图示标注保持一致。
    更多模式请参考:http://www.multiwii.com/connecting-elements

3、通信部分:
    推荐使用FT232RL,在Arduino R3之前的版本中,FT232RL被广泛使用,在众多通信芯片中,FT232RL具有良好口碑,其拥有稳定的数据传输能力。
这里以FT232RL为例,将通信板的VIO、GND、TXD、RXD、RTS#分别与飞控板通信端口的V、G、R、T、DTR一一对应连接即可。
    注:不管是连接上位机,还是更新程序建议连接5根线,"RTS#"仅在用ArduinoIDE下载程序时用到。
实物接线如下图所示:
FT232下载.jpg

4、蓝牙接口:
    蓝牙可以在后期调试时减少很多麻烦,当飞控装到机架后,如果再连着USB线去更新程序,那将会是一件非常痛苦的事情。如果外接一片蓝牙设备,那么可以借助手机来进行参数调试,以及飞行中的一些数据回传。
蓝牙模块可以使用市面上任何一款无线透传设备,不管是BC04、HC05还是06、07这些版本,使用时,蓝牙需要设置为从机,然后与手机配对连接即可,这个我们会在后面软件调试篇做说明。
连接蓝牙.jpg

5、I2C接口:
    如果用户准备外接GPS模块,直接用市场上的串口GPS模块是无法使用的,因为328P只有一组串口,已经被调试占用,所以你想扩展GPS模块,那么就需要将串口GPS模块转换成I2C接口。
就是一块ProMini,用户都可以自制,开源固件下载地址:https://code.google.com/p/i2c-gps-nav/
或者直接点击下载: I2C_GPS_NAV_v2_2.zip (31.82 KB, 下载次数: 502)

上一张装配好飞的图,多余的线可以用扎带绑好
装配效果.jpg

签到天数: 1 天

[LV.1]初来乍到

发表于 2014-5-7 10:52:35 | 显示全部楼层
软件篇没有了?
回复 支持 反对

使用道具 举报

签到天数: 2 天

[LV.1]初来乍到

发表于 2014-9-30 14:57:49 | 显示全部楼层
nm!转帖转了一半?
回复 支持 反对

使用道具 举报

该用户从未签到

发表于 2015-3-4 23:03:26 | 显示全部楼层
赞!感谢楼主分享的WMC飞控的资料
回复 支持 反对

使用道具 举报

您需要登录后才可以回帖 登录 | 立即注册

本版积分规则

QQ|手机版|小黑屋|联系我们|YFROBOT ( 苏ICP备20009901号-2 )

GMT+8, 2025-12-13 11:35 , Processed in 0.405867 second(s), 26 queries .

Powered by Discuz! X3.5

© 2001-2025 Discuz! Team.

快速回复 返回顶部 返回列表